|
Технический Директор
![]() Зарегистрирован:
09.01.2009 0:19 Из: Tallinn
Сообщений:
2311
![]() |
Цитата:
Заказал? Прикольная штука. Тоже думаю Пока заказал вторую Х96Q Pro h728 приставку.
Отправлено: Сегодня 2:08
|
|
|
Технический Директор
![]() Зарегистрирован:
08.02.2009 21:08 Из: Днестровск
Сообщений:
2668
![]() |
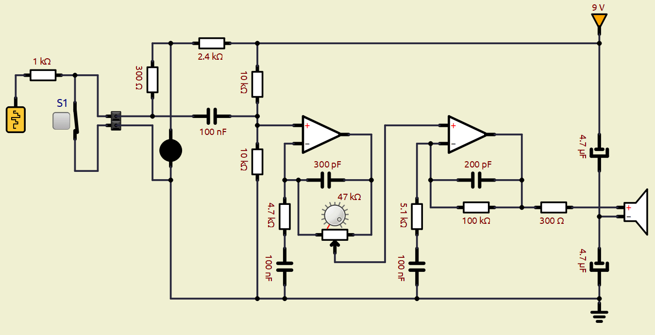
S1 - в симуляторе имитирует плохой контакт. Включая и отключая S1 в динамике слышен треск. Прикреплённый файл: Bad contact indicator.gif (60.22 KB)![]() Bad contact indicator.zip Размер: 55.62 KB; Просмотры: 6
Отправлено: Сегодня 0:09
|
|
|
Технический Директор
![]() Зарегистрирован:
08.02.2009 21:08 Из: Днестровск
Сообщений:
2668
![]() |
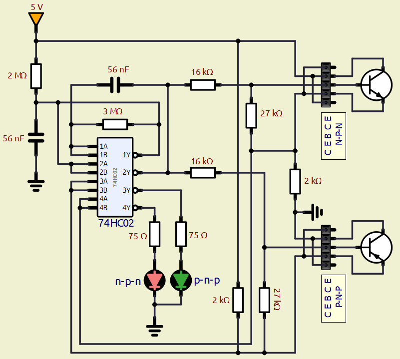
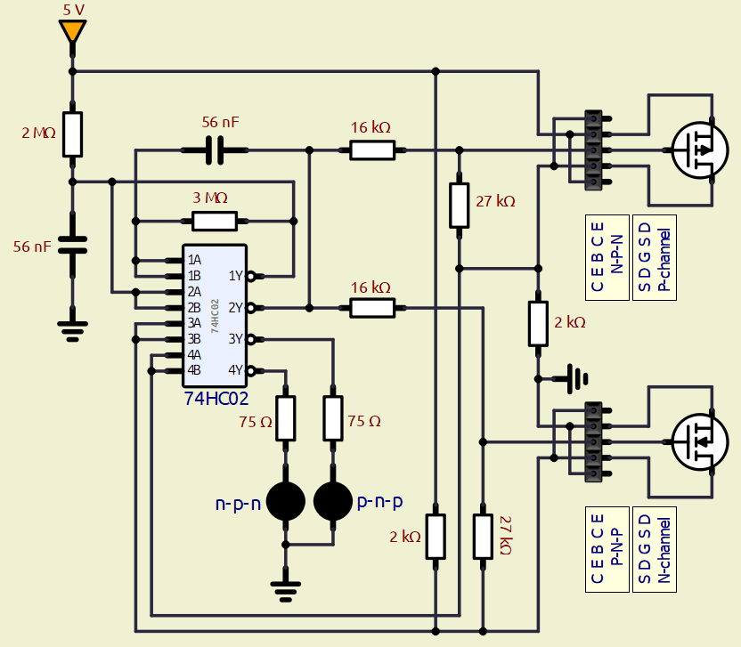
Простая быстрая проверка транзисторов
Если транзистор исправный, подключен к соответствующему разъёму и названиям выводов - светодиод будет периодически вспыхивать. Прикреплённый файл: Simple Quick Transistor Check v1.0_BJT.gif (47.22 KB)![]() Simple Quick Transistor Check v1.0_Mosfet.gif (48.92 KB)![]() Simple Quick Transistor Check v1.0.zip Размер: 95.55 KB; Просмотры: 6
Отправлено: Вчера 18:28
|
|
|
Технический Директор
![]() Зарегистрирован:
08.02.2009 21:08 Из: Днестровск
Сообщений:
2668
![]() |
Продолжение развития
Новое: - исправление ошибок.
Отправлено: 15.11 0:08
|
|
|
Технический Директор
![]() Зарегистрирован:
18.12.2008 1:23 Из: Тирасполь
Сообщений:
2305
![]() |
Полировальные ручки, они же граверы, они же бормашинки под хвостовики 2,35мм.
Зажим поворотной муфтой Зажим "всунул-высунул"
Отправлено: 14.11 10:32
|
|
|
Паяй только то, что нельзя купить!
То что нельзя купить - надо спаять! |
||
|
Технический Директор
![]() Зарегистрирован:
08.02.2009 21:08 Из: Днестровск
Сообщений:
2668
![]() |
Продолжение развития
Новое: - исправление ошибок.
Отправлено: 13.11 13:51
|
|
|
Технический Директор
![]() Зарегистрирован:
08.02.2009 21:08 Из: Днестровск
Сообщений:
2668
![]() |
Продолжение развития
Новое: - теперь умеет распознавать составные биполярные транзисторы, такие как пара Дарлингтона и каскад Шиклаи с коэффициентом усиления от 10 и выше. Прикреплённый файл: 1.gif (106.25 KB)![]() Quick Transistor Check v1.1.zip Размер: 368.84 KB; Просмотры: 31
Отправлено: 12.11 22:41
|
|
|
Технический Директор
![]() Зарегистрирован:
08.02.2009 21:08 Из: Днестровск
Сообщений:
2668
![]() |
Уточнение к предыдущему сообщению:
- тестер не умеет распознавать составные транзисторы, такие как пара Дарлингтона и каскад Шиклаи.
Отправлено: 12.11 0:57
|
|
|
Технический Директор
![]() Зарегистрирован:
08.02.2009 21:08 Из: Днестровск
Сообщений:
2668
![]() |
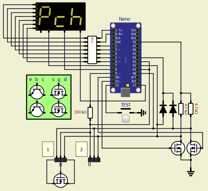
Быстрая проверка биполярных и полевых транзисторов
Новое: - это новый проект с простой схемой. Умеет определять транзисторы с коэффициентом усиления от 40 и выше: - биполярные; - полевые; - неисправные. У транзисторов определяет: - проводимость; - наименование выводов. Порядок работы: - подключить выводы транзистора к разъёму 123 в любом порядке; - нажать кнопку Test Информация на дисплее: 123 - номера контактов разъёма; В - база; С - коллектор; Е - эмиттер; G - затвор; D - сток; S - исток; PNP - биполярный транзистор с p-n-p проводимостью; NPN - биполярный транзистор с n-p-n проводимостью; Pch - P-канальный полевой транзистор; Nch - N-канальный полевой транзистор; FAULTY - Неисправный. Прикреплённый файл: Quick Transistor Check v1.0.gif (31.68 KB)![]() Quick Transistor Check v1.0.zip Размер: 149.22 KB; Просмотры: 13
Отправлено: 11.11 5:10
|
|
|
Технический Директор
![]() Зарегистрирован:
08.02.2009 21:08 Из: Днестровск
Сообщений:
2668
![]() |
Быстрая проверка биполярных и полевых транзисторов
Символы на индикаторе: Полевые транзисторы: Pch - P-channel nch - N-channel S9d d9S - sgd dgs порядок выводов полевого транзистора Биполярные транзисторы: PnP - p-n-p структура nPn - n-p-n структура E8C C8E - ebc cbe порядок выводов биполярного транзистора FAU - Faulty (Неисправный) В архивах варианты с ОК и ОА для цифрового индикатора. Прикреплённый файл: simulide_Qf4rBXY9Nv.gif (118.81 KB)![]() Bqstraja proverka tranzistorov OK v1.4.zip Размер: 124.22 KB; Просмотры: 31 Bqstraja proverka tranzistorov OA v1.4.zip Размер: 106.40 KB; Просмотры: 13
Отправлено: 10.11 0:58
|
|



Bad contact indicator.gif (60.22 KB)
Bad contact indicator.zip



