Просмотр этой темы:
1 анонимных пользователей
|
Технический Директор
![]() Зарегистрирован:
08.02.2009 20:08 Из: Днестровск
Сообщений:
2743
![]() |
Светодиодный куб 5x5x5 на микроконтроллере PIC16F877A
В нём реализованы десять сменяющихся циклически придуманных автором световых эффектов плюс поздравление с Новым годом. Устройство, управляющее светодиодным кубом, собрано на микроконтроллере PIC16F877A-I/P по схеме, изображённой на рис. 1. Питают его и куб от любого источника постоянного напряжения 9...16 В. Ток потребления — не более 200 мА. Напряжение +5 В для питания микроконтроллера DD1 получено с помощью интегрального стабилизатора напряжения DA1, конденсаторы С2, С4, С5 — блокировочные. Работа микроконтроллера синхронизирована внутренним тактовым генератором, частота которого стабилизирована кварцевым резонатором ZQ1 на 4 МГц. Куб состоит из пяти горизонтальных "уровней". В каждом из них по 25 светодиодов, размещённых квадратом 5x5. Схема пятого (верхнего) уровня показана на рис. 2. Остальные построены по таким же схемам и различаются только позиционными номерами светодиодов. Соединённые вместе катоды светодиодов каждого уровня подключены к коллекторам транзисторов VT1—VT5. Схема ключа на транзисторе VT5 отличается от остальных, поскольку выход RA4 микроконтроллера, который управляет этим ключом, построен по схеме с открытым стоком. Аноды светодиодов, занимающих одинаковые позиции на каждом уровне, соединены вместе и подключены к выводам портов В, С, D и выводу RA3 микроконтроллера (всего 25 выводов) через ограничивающие ток резисторы R9—R33. Светодиод HL1 подключён к микроконтроллеру через ограничительный резистор R4. Резистор R1 поддерживает на входе RA0 микроконтроллера высокий логический уровень напряжения, когда кнопка SB1 не нажата. Нажатием на эту кнопку прекращают смену световых эффектов, о чём сигнализирует включение светодиода HL1. Все светодиоды куба при этом выключаются. С повторным нажатием на кнопку гаснет светодиод HL1, а чередование световых эффектов возобновляется. Программа микроконтроллера написана на языке ассемблера. Реализация светового эффекта начинается с формирования включёнными светодиодами куба некой геометрической фигуры, которая затем вращается, передвигается в ту или иную сторону либо деформируется. Изображение создаётся динамически. Сначала по команде микроконтроллера открывается транзистор VT5, соединяя с общим проводом катоды светодиодов HL102—HL126 первого (самого нижнего) уровня куба. В соответствии с кодом, установленным в этот момент на выходах RA3, RB0—RB7, RC0—RC7, RD0—RD7, включаются те светодиоды этого уровня, которые нужны для формирования приходящейся на него части кадра изображения. Спустя 2 мс транзистор VT5 закрывается, устанавливается код для светодиодов второго уровня и открывается транзистор VT4. За 10 мс изображение кадра формируется полностью, причём за счет инерционности зрения чередование включённых уровней остаётся незаметным. Далее аналогично создаётся изображение следующего кадра с новым положением геометрической фигуры и так далее до завершения эффекта. Длительность одного светового эффекта — 4,3 с. Все десять записанных в памяти микроконтроллера эффектов и текстовое поздравление с Новым годом воспроизводятся по очереди. Поскольку программная память микроконтроллера полностью не заполнена, число световых эффектов можно увеличить, доведя его до 30—40. Устройство управления кубом собрано на печатной плате из фольгированного с одной стороны стеклотекстолита толщиной 1,5 мм. Чертёж печатных проводников платы — на рис. 3, а расположение элементов на обеих её сторонах — на рис. 4. Плата рассчитана на установку резисторов и керамических конденсаторов типоразмера 0805 для поверхностного монтажа. Оксидные конденсаторы С2 и С4 — обычные с проволочными выводами. Интегральный стабилизатор LM7805 снабжён пластинчатым теплоотводом с площадью охлаждающей поверхности 6 см2. Для микроконтроллера предусмотрена панель, в которую его нужно вставлять уже запрограммированным. Плата помещена в пластмассовый корпус Z28 размерами 119x143,3x37,4 мм. Куб из светодиодов синего цвета свечения установлен на верхней панели корпуса, а зелёный светодиод HL1, кнопка SB 1 и разъём питания — на его лицевой панели (рис. 5). Для сборки куба нужно подготовить шаблон из отрезка доски, в котором по сетке с шагом 25x25 мм просверлены 25 отверстий диаметром 5 мм (по диаметру корпуса светодиода). Нужны также две деревянные распорки высотой 24 мм, длиной около 140 мм и шириной около 15 мм. Вставьте 25 светодиодов в отверстия шаблона, отогните катодный вывод каждого из них в сторону соседнего в ряду и спаяйте эти выводы между собой. Ряды катодных выводов соедините поперечными отрезками жёсткого неизолированного провода. Получившийся квадрат — один уровень куба. Нужно изготовить пять таких квадратов. В верхней панели корпуса устройства просверлите с шагом 25x25 мм сетку отверстий диаметром 1...1.5 мм и пропустите в них анодные выводы светодиодов квадрата, который будет нижним уровнем куба. Затем положите деревянные распорки между крайними рядами светодиодов. Они нужны, чтобы строго выдержать расстояние 25 мм между уровнями. Уложите на них второй квадрат и припаяйте анодный вывод каждого образующего его светодиода к анодному выводу находящегося под ним светодиода предыдущего уровня. Выводы необходимо предварительно изогнуть соответствующим образом, чтобы светодиоды нового уровня находились над соответствующими светодиодами предыдущего с минимальным смещением. Перенося распорки на каждый вновь смонтированный уровень, описанным выше способом установите третий, четвёртый и пятый уровни. Если применённые светодиоды имеют недостаточно длинные для непосредственного соединения выводы, то соединять их по горизонтали и вертикали можно отрезками жёсткого неизолированного провода, обрезав сами выводы до минимальной необходимой длины. К соединённым катодам светодиодов каждого уровня припаяйте отрезки тонкого гибкого изолированного провода и также пропустите их внутрь корпуса через просверленные в его верхней панели отверстия. Остаётся присоединить провода от катодных и анодных выводов светодиодов к контактным площадкам печатной платы в соответствии со схемой. Прикреплённый файл: Рис 1.gif (44.41 KB)![]() Рис 2.gif (23.33 KB)![]() Рис 3.gif (16.68 KB)![]() Рис 4.gif (64.39 KB)![]() Рис 5.gif (63.55 KB)![]() Светодиодный куб.gif (535.79 KB)![]() Светодиодный куб.zip Размер: 344.01 KB; Просмотры: 50
Отправлено: 23.11.2025 22:37
|
|
|
Технический Директор
![]() Зарегистрирован:
08.02.2009 20:08 Из: Днестровск
Сообщений:
2743
![]() |
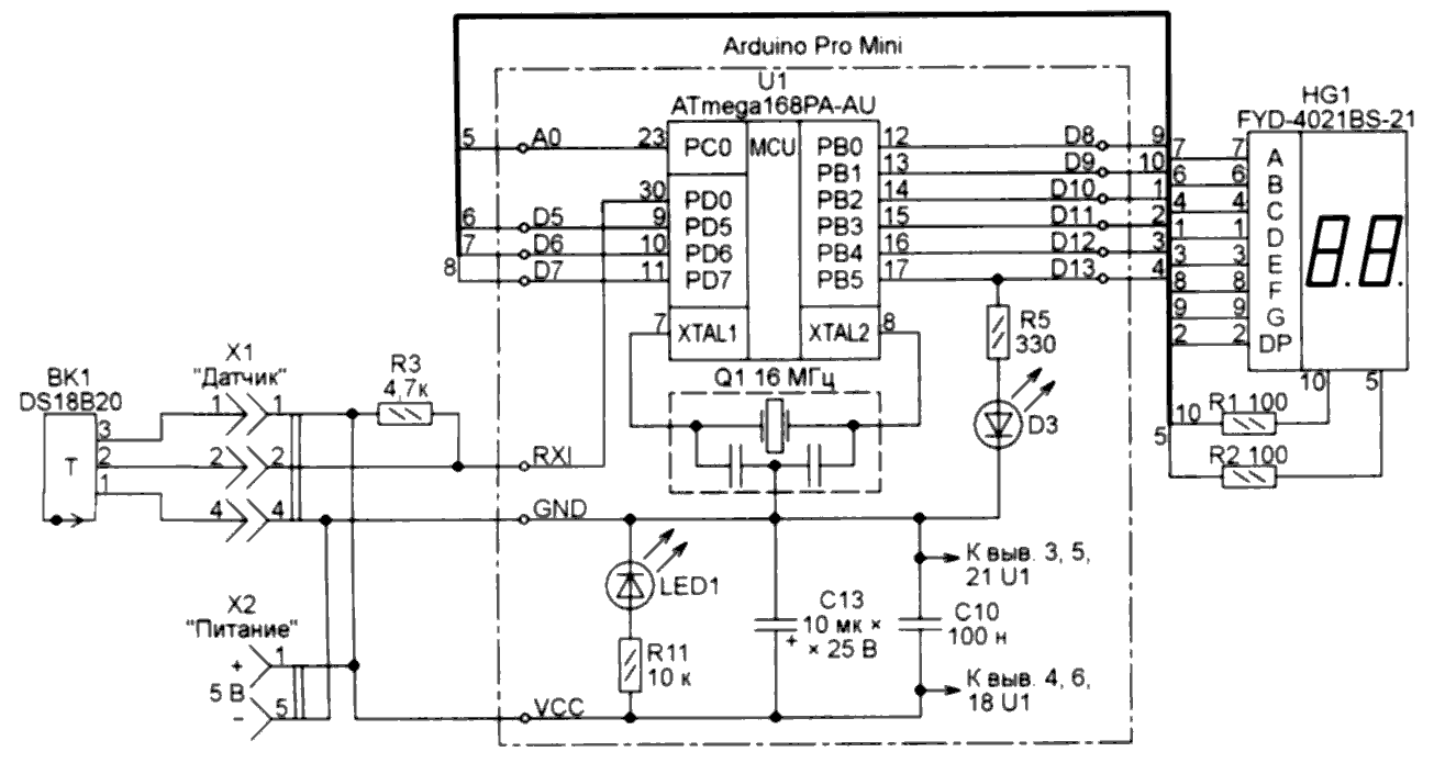
Домашний термометр
В конструкции использован датчик температуры DS18B20, подключенный к разъёму Х1, как показано на схеме. Датчик DS18B20 имеет цифровой интерфейс 1-Wire, легко реализуемый с помощью любого микроконтроллера, калиброван изготовителем и не требует какой-либо подстройки в процессе эксплуатации. Датчик способен работать в интервале температуры от минус 55 до плюс 125°С с погрешностью не хуже ±2°С. В интервале температуры от минус 10 до плюс 85 °С гарантирована погрешность не хуже ±0,5 °С. Для обмена информацией с датчиком DS18B20 используется интерфейс 1-Wire. Для работы с датчиком DS18B20 в модуль Arduino Pro mini нужно загрузить программу ds_2razr_segm_4.ino. На индикатор выводится информация — полученное от датчика значение температуры. Если она ниже нуля, то отображаются только целые градусы со знаком минус, а при температуре ниже -9 °С индикатор гаснет. Температура от 0 до 9,9 °С отображается с одним десятичным знаком после запятой, выше — только целая часть её значения. Прикреплённый файл: Home thermometer (original).gif (37.08 KB)![]() 2025-11-24_170818.gif (63.44 KB)![]() Home thermometer.zip Размер: 46.67 KB; Просмотры: 51
Отправлено: 24.11.2025 17:20
|
|
|
Технический Директор
![]() Зарегистрирован:
08.02.2009 20:08 Из: Днестровск
Сообщений:
2743
![]() |
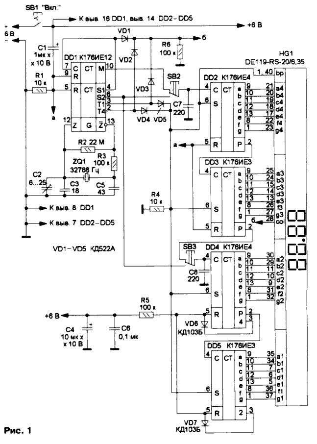
Простые электронные часы с ЖКИ
Часы собраны на микросхемах серии К176, их схема показана на рис. 1. На микросхеме DD1 (К176ИЕ12) собран задающий генератор с кварцевой стабилизацией частоты. Микросхемы DD2—DD5 — счётчики-преобразователи кодов для управления семиэлементными индикаторами. С выхода М (вывод 10) генератора DD1 минутные импульсы через нормально замкнутые контакты кнопки SB2 поступают на вход счётчика единиц минут (DD2). С выхода переноса Р (вывод 2) этого счётчика импульсы поступают на счётчик десятков минут (DD3) и далее с выхода переноса Р микросхемы DD3 импульсы поступают на счётчик единиц часов и т. д. В полночь (24 часа) высокий уровень, поступающий на входы R микросхем DD4 и DD5 с выхода 4 (вывод 3) микросхемы DD4 и с выхода 2 (вывод 3) микросхемы DD5, обнуляет показания часов. Для нормальной работы ЖКИ на его подложку и элементы индикации необходимо подавать противофазные импульсы (меандр) частотой 33...100 Гц. Если на подложке — высокий уровень, на элементах индикации будет низкий. Это достигается подачей импульсов на управляющие входы S микросхем DD2—DD5 и подложку (выводы 1 и 40) ЖКИ. Если на входах S присутствует сигнал высокого уровня, то на выходах a,b,c,d,e,f,g микросхем будет низкий уровень. Частота импульсов — 128 Гц, она несколько выше требуемой, но на работе часов это не сказывается. Сигнал для формирования мигающей точки, разделяющей часы и минуты, формируется на резисторе R6 с помощью диодов VD1—VD3. Конденсаторы С7, С8 подавляют броски управляющего напряжения, обусловленные дребезгом контактов кнопок SB2 и SB3. С помощью RC-цепи C1R1 при подаче питания счётчики всех микросхем устанавливаются в нулевое состояние. Подстроечный конденсатор С2 предназначен для подстройки частоты кварцевого генератора, т. е. для коррекции хода часов. Установку часов проводят нажатиями на кнопку SB2 или SB3, в этом случае на счётные входы микросхемы DD2 или DD4 поступают импульсы с частотой 2 Гц. Все элементы, кроме батареи питания, размещены на двухсторонней печатной плате из фольгированно-го стеклотекстолита толщиной 1,5...2 мм. Чертёж платы показан на рис. 2. ЖКИ устанавливают над микросхемами DD2—DD5 в две панели, которые изготовлены из стандартной панели для микросхем с 40 выводами в корпусе DIP. Конденсаторы С1 и С4 — оксидные импортные, подстроенный конденсатор — КТ4-21б, КТ4-25б, TZ03, TSC-0б с минимальной ёмкостью 4...6 и максимальной 20...30 пФ, остальные — К10-17. Диоды КД522А можно заменить диодами 1N4148, диоды КД103Б — диодами серий КД102, КД103. Кнопка SB1 (с фиксацией) — B170G, SB2 и SB3 (с самовозвратом) — В170Н. Кварцевый резонатор — часовой (32768 Гц). В батарее можно применить четыре гальванических элемента типоразмера АА, ААА или два литиевых элемента CR2032. Потребляемый часами ток — около 450 мкА. Установку времени производят в следующем порядке. При включении часов все счётчики сбрасываются, и на индикаторе будут нули. Сначала нажатиями на кнопку SB2 устанавливают минуты, затем нажатиями на кнопку SB3 — часы. Прикреплённый файл: Рис 1.gif (34.65 KB)![]() Рис 2.gif (47.95 KB)![]() Simple electronic clock.gif (620.43 KB)![]() Simple electronic clock.zip Размер: 90.88 KB; Просмотры: 49
Отправлено: 25.11.2025 0:33
|
|
|
Технический Директор
![]() Зарегистрирован:
08.02.2009 20:08 Из: Днестровск
Сообщений:
2743
![]() |
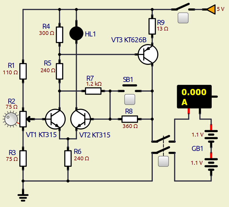
Зарядное устройство для зарядки никель-кадмиевых аккумуляторов и батарей, контролирующее напряжение на заряжаемой батарее и автоматически отключающее её при достижении номинального значения.
В описываемом устройстве напряжение на аккумуляторной батарее измеряется непрерывно в процессе зарядки. На транзисторах VT1, VT2 собран триггер Шмитта, который сравнивает напряжение на заряжаемой аккумуляторной батарее GB1 с образцовым, которое поступает с делителя R1—R3. Если к ЗУ подключена разряженная аккумуляторная батарея, транзистор VT2 закрыт, а транзисторы VT1 и VT3 открыты. Коллекторный ток транзистора VT3, значение которого определяется сопротивлением резистора R9, заряжает аккумуляторную батарею. Как только напряжение на ней достигнет заданного порогового значения, срабатывает триггер. Транзисторы VT1 и VT3 закрываются, а транзистор VT2 открывается и включает светодиод HL1, сигнализирующий об окончании зарядки. Кнопочный выключатель SB1 предназначен для принудительного запуска ЗУ (например, если батарея разряжена не полностью) Нажатие выключателя SB1 в этом случае приводит к установке триггера в состояние, соответствующее режиму зарядки. ЗУ предназначено для зарядки батареи из двух никель-кадмиевых аккумуляторов типоразмера АА (обычно столько используется для питания плейера, радиоприемника или фотовспышки) номинальной емкостью 750 мА*ч. Зарядный ток — около 75 мА. Некоторое несоответствие зарядного тока номинальному значению, вызванное неточной подборкой сопротивлений резисторов R4, R5. R6, R9, а также выбранным напряжением срабатывания триггера, сильно не скажется на качестве зарядки. Для установки тока включают переменные резисторы — параллельно R4 и последовательно с R6 или R9, а в коллекторную цепь транзистора VT3 вводят амперметр. По приведенной схеме можно собрать ЗУ практически для любого типа аккумуляторных батарей. При расчете параметров устройства следует учитывать следующие моменты: 1. Ток делителя, формирующего образцовое напряжение, должен в 10 раз превышать ток базы открытого транзистора VT1. 2. Необходимо, чтобы ток коллектора транзистора, определяемый сопротивлением резистора R6, обеспечивал нормальную яркость свечения светодиода HL1. 3. Сопротивление резисторов R4 и R5 должно быть достаточным для насыщения транзистора VT1. 4. Суммарное сопротивление резисторов обратной связи R7 и R8 должно быть больше сопротивления резисторов R4 и R5. чтобы токи, протекающие через резисторы R4, R5, R7, переход база—эмиттер транзистора VT2, резистор R6 и резисторы R4, R5, R7, R8, аккумуляторную батарею GB1 были как можно меньше (необходимо исключить открытие транзистора VT3 падением напряжения на резисторе R4 с одной стороны, и частичную перезарядку батареи GB1 током через резистор R8 с другой). Для данного устройства является принципиальным использование стабилизированного источника питания, главное, чтобы стабилизированное напряжение питания обеспечивало стабильный зарядный ток. В устройстве вместо транзисторов КТ315Б и КТ626В можно использовать любые с подобными параметрами. Теплоотвод для транзистора КТ626В не требуется. Налаживание устройства (установку уровня образцового напряжения при установленном, как описано выше, токе) необходимо проводить следующим образом. Вывести движок переменного резистора R2 в верхнее по схеме положение, подключить свежезаряженную батарею и подать напряжение питания. Перемещать движок потенциометра до тех пор, пока не включится светодиод HL1. Такой способ хорош тем, что не нужно знать конкретное значение устанавливаемого образцового напряжения, которое зависит от типа аккумуляторной батареи, а в описываемом устройстве — ещё и от зарядного тока и сопротивлений обратной связи. Прикреплённый файл: Charger for charging nickel-cadmium batteries.gif (90.78 KB)![]() Charger for charging nickel-cadmium batteries.zip Размер: 82.00 KB; Просмотры: 292
Отправлено: 25.11.2025 22:08
|
|
|
Технический Директор
![]() Зарегистрирован:
08.02.2009 20:08 Из: Днестровск
Сообщений:
2743
![]() |
СЕРВОПРИВОД, УПРАВЛЯЕМЫЙ КЛАВИАТУРОЙ
Управление серводвигателем путем ввода градусов поворота ротора от 0 до 180 градусов с помощью цифровой клавиатуры. Введите значение в градусах, которое отобразится на семисегментном дисплее (клавиша <R> удаляет значение, если допущена опечатка). Теперь нажмите клавишу <E> ENTER , чтобы ротор переместился на указанное число градусов в соответствующее положение. Светодиод MON (монитор) загорается после завершения операции и гаснет в начале новой. Повторите с другим значением и так далее. Цифры, отображаемые рядом с клавиатурой, соответствуют цифрам, получаемым при нажатии каждой клавиши. Точность позиционирования ротора зависит от настроек сервопривода, которые можно изменить в разделе Свойства . Красная метка показывает приблизительные значения, которые пользователь может изменить. Кнопка <R> RESET может быть использована в любой момент для корректировки величины или для возврата ротора в нулевое положение. При вводе значения больше 180 загорается светодиод ошибки. Ширина импульса для каждого значения и расстояние между импульсами отображаются на осциллографе. Клавиатура подключается к контроллеру по I2C с использованием микросхемы PCF8574. Выход D17 подключается к сервоприводу и осциллографу. На сервоприводе имеются метки с наиболее типичными положениями в градусах. Светодиод MON (монитор), подключенный к D13, сигнализирует о завершении операции после позиционирования ротора. Светодиод ERROR, подключенный к D14, загорается при вводе числа больше 180. Дополнительные кнопки не имеют функций в этой схеме, однако пользователь может назначать им функции, например переход на ноль или на 90 градусов, напрямую нажимая одну или другую. Исходный код программы и исполняемый файл в архиве к сообщению. Используются две библиотеки, которые необходимо предварительно установить в среде Arduino IDE для компиляции этой программы: #include <Wire.h> #include <Keypad_I2C.h> #include <Servo.h>. Открыв Serial Monitor, можно также увидеть количество введённых градусов. Прикреплённый файл: SERVO_KEYBOARD.gif (58.47 KB)![]() servo1.gif (93.12 KB)![]() 330_SERVO_KEYBOARD.zip Размер: 33.81 KB; Просмотры: 41
Отправлено: 26.11.2025 13:41
|
|
|
Технический Директор
![]() Зарегистрирован:
08.02.2009 20:08 Из: Днестровск
Сообщений:
2743
![]() |
Русификация LCD дисплея в симуляторе для проектов Arduino
#include <LCD_1602_RUS.h>
Отправлено: 27.11.2025 18:33
|
|
|
Технический Директор
![]() Зарегистрирован:
08.02.2009 20:08 Из: Днестровск
Сообщений:
2743
![]() |
Прикреплённый файл: Universal electronic key on PIC12F629.gif (62.75 KB)![]() Universal electronic key on PIC12F629.zip Размер: 2.18 KB; Просмотры: 48
Отправлено: 29.11.2025 22:33
|
|
|
Технический Директор
![]() Зарегистрирован:
08.02.2009 20:08 Из: Днестровск
Сообщений:
2743
![]() |
Экономичные игральные кости на PIC12F629
Эта поделка реализует электронную версию двух стандартных игральных костей с помощью 14 светодиодов, образующих при свечении аналог двух игральных костей и микроконтроллере PIC12F629. Как и в обычных не электронных костях, например, для игры в "нарды", выдаются два случайных и независимых значения от 1 до 6 одновременно. Расположение светодиодов стилизовано под стандартные кости. При нажатии на кнопку, в течении 3 сек. выдается очередная комбинация, потом светодиоды гаснут до следующего нажатия кнопки. Если кнопка не нажата в течении 15 секунд, прибор переходит в спящий режим с током потребления не более 1 мкА по тестеру. При последующем нажатии на кнопку, работа устройства продолжается в обычном режиме. У прибора нет выключателя питания, он всегда готов к применению и включается сразу при нажатии кнопки. Простой расчет показывает, что при питании от трех дешевых солевых батареек, заряда хватит на 10000 "бросаний" костей (средний ток при свечении светодиодов - 15 мА). А в спящем режиме он может находиться годы... В силу ограниченного числа выводов, применена динамическая индикация - каждая "кость" зажигается в течении 10 мс попеременно с другой. Каждая "кость" состоит из светодиодов, собранных в три группы (1, 2 и 4 светодиода), комбинацией свечения которых получаются все шесть значений. Одноименные группы соединены вместе и подключены к портам GP0 - GP2 микроконтроллера через токоограничительные резисторы R2-R4. Все светодиоды, кроме D4 и D11, включены попарно последовательно. В цепи D4, D11 (здесь не два последовательных, а один светодиод в группе) для выравнивания яркости свечения разных групп при напряжении питания 3.5 - 4.7 В, введены диоды VD1 и VD2. С той же целью сопротивление резистора R2 уменьшена в два раза (в группе две параллельных цепочки светодиодов). Объединенные катоды светодиодов, образующих каждую "кость", подключены соответственно к портам GP4 и GP5. Частота динамической индикации - 50 Гц. Кнопка S1 подключена к входу GP3, сконфигурированному как обычный вход. Случайность выдаваемых значений обеспечивается следующим образом. Таймер TMR1 тактируется частотой 1 МГц, а значит переполняется раз в 0.065 сек. При нажатии кнопки, фиксируется состояние таймера и оно абсолютно случайно из-за субъективного характера периодичности нажатия кнопки. Значение одной "кости" вычисляется из младшего байта таймера, а другой - из старшего. Прибор питается от трех элементов АА, напряжением 4.5 В. Свечение светодиодов остается достаточно ярким до напряжения батареи в 3.5 В. Из-за дороговизны и дефицитности стабилизаторов с собственным потреблением в единицы микроампер, было решено применить непосредственное подключение прибора к батарее питания. Это приводит к некоторому снижению яркости в конце срока ее службы, но позволяет получить сверхнизкое потребление тока в режиме ожидания. Прибор собран на печатной плате размерами 50мм на 60мм. Светодиоды применены диаметром 3 мм, так как они визуально ярче и больше похожи на точки игральных костей. VD1, VD2 типа КД521. На плате предусмотрено место для непосредственного впаивания тактовой кнопки. В случае применения выносной кнопки, она подключается к плате двумя отрезками проводов. Исходный код написан и откомпилирован в среде MikroC. Исходный код, прошивка, проект Proteus и чертеж платы в формате LAY приведены во вложении. Прикреплённый файл: Low-power dice on the PIC12F629.gif (632.93 KB)![]() Low-power dice on the PIC12F629.zip Размер: 417.79 KB; Просмотры: 49
Отправлено: 30.11 1:01
|
|
|
Технический Директор
![]() Зарегистрирован:
08.02.2009 20:08 Из: Днестровск
Сообщений:
2743
![]() |
МАГНИТОУПРАВЛЯЕМОЕ РЕЛЕ
В исходном состоянии (как показано на схеме) контакты геркона замкнуты. Полевой транзистор и симистор закрыты, нагрузка обесточена. Под воздействием магнитного поля, например, при приближении магнита геркон срабатывает, его замкнутые контакты размыкаются. Открываются полевой транзистор и симистор. Через нагрузку течёт ток. Устройство в этом случае работает как реле с разомкнутыми контактами. Если понадобится аналогичное реле с замкнутыми контактами, это легко сделать. Достаточно к затвору полевого транзистора подключить не размыкающий, а замыкающий контакт геркона. В отличие от устройств с магнитоуправляемыми микросхемами предлагаемое реле не требует дополнительного источника питания. Потребляемый устройством ток в выключенном состоянии равен сумме токов через резистор 5.1М, утечки полевого транзистора и симистора. Мощность коммутируемой нагрузки определяется только параметрами симистора. При этом симистор следует разместить на теплоотводе площадью не менее 100 см2. Прикреплённый файл: MAGNETIC CONTROLLED RELAY.gif (38.99 KB)![]() MAGNETIC CONTROLLED RELAY.zip Размер: 1.86 KB; Просмотры: 87
Отправлено: 09.12 0:30
|
|
|
Технический Директор
![]() Зарегистрирован:
08.02.2009 20:08 Из: Днестровск
Сообщений:
2743
![]() |
ПРЕОБРАЗОВАТЕЛЬ ПОЛЯРНОСТИ НАПРЯЖЕНИЯ НА ПЕРЕКЛЮЧАЕМЫХ КОНДЕНСАТОРАХ
Иногда требуется двуполярный источник питания или удвоитель напряжения. Подобный преобразователь можно собрать на переключаемых конденсаторах. Преобразователь состоит из генератора прямоугольных импульсов, электронных ключах и не менее двух конденсаторах. На двух элементах микросхемы 74HC00 выполнен генератор прямоугольных импульсов, следующих с частотой около 1000 Гц, а третий элемент является инвертором. Противофазные сигналы генератора поступают на управляющие входы аналоговых ключей (полевых транзисторов). Их входы и выходы соединены так, что в течение одного полупериода колебаний генератора происходит зарядка конденсатора 47 мкФ от источника питающего напряжения положительной полярности, а в течение второго — его разрядка на конденсатор 68 мкФ. При малых токах потребления выходное напряжение отрицательной полярности равно питающему напряжению. По мере увеличения тока нагрузки выходное напряжение падает, поскольку электронные ключи обладают сопротивлением, которое оказывается включенным последовательно с нагрузкой. Прикреплённый файл: Switched Capacitor Voltage Polarity Converter.gif (82.79 KB)![]() Switched Capacitor Voltage Polarity Converter.zip Размер: 2.89 KB; Просмотры: 47 Switched Capacitor Voltage Polarity Converter 2.gif (56.96 KB)![]() Switched Capacitor Voltage Polarity Converter 2.zip Размер: 2.46 KB; Просмотры: 52
Отправлено: 09.12 2:44
|
|



Рис 1.gif (44.41 KB)





Светодиодный куб.zip












