Просмотр этой темы:
1 анонимных пользователей
|
Технический Директор
![]() Зарегистрирован:
08.02.2009 20:08 Из: Днестровск
Сообщений:
2762
![]() |
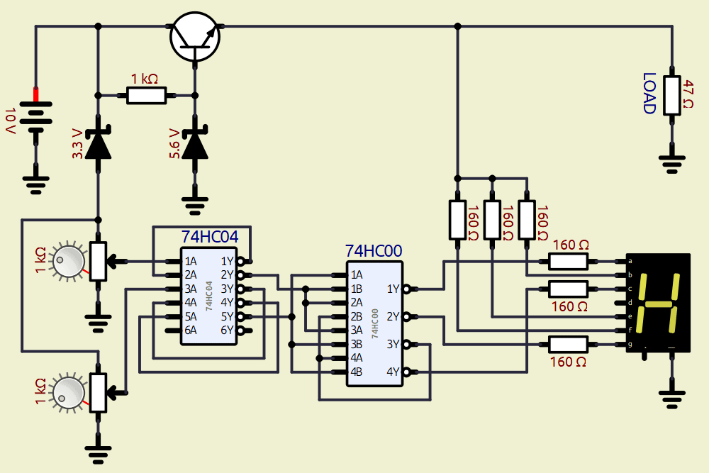
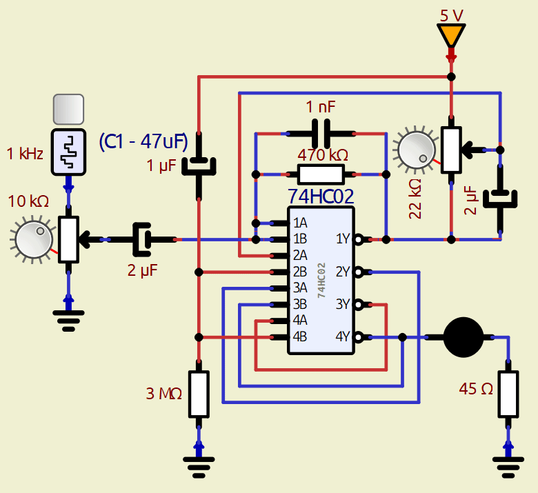
Индикатор-таймер разряда батареи.
Режим Indikator: Если напряжение батареи снизилось до 7В: - отключается нагрузка; - сигналит Buzzer. Режим Timmer: Нагрузка в работе до тех пор, пока заряжается конденсатор; Если, без нагрузки, напряжение батареи снизилось до 7В: - сигналит Buzzer. Если, с нагрузкой, напряжение батареи снизилось до 7В: - отключается нагрузка; - сигналит Buzzer. Прикреплённый файл: Tajmer razryadki batarei.gif (39.03 KB)![]() Tajmer razryadki batarei.zip Размер: 2.34 KB; Просмотры: 60
Отправлено: 28.10.2025 17:45
|
|
|
Технический Директор
![]() Зарегистрирован:
08.02.2009 20:08 Из: Днестровск
Сообщений:
2762
![]() |
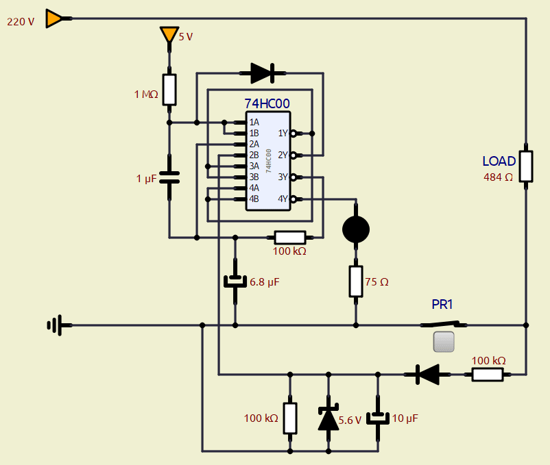
Индикатор напряжения батареи.
Если напряжение батареи 9В: - в норме - буква Н - повышенное - П - пониженное - Р (разряжена) Прикреплённый файл: simulide_1Hxp8oi5Ec.gif (50.48 KB)![]() Indikator Naprjazhenija.zip Размер: 2.49 KB; Просмотры: 55
Отправлено: 28.10.2025 18:47
|
|
|
Технический Директор
![]() Зарегистрирован:
08.02.2009 20:08 Из: Днестровск
Сообщений:
2762
![]() |
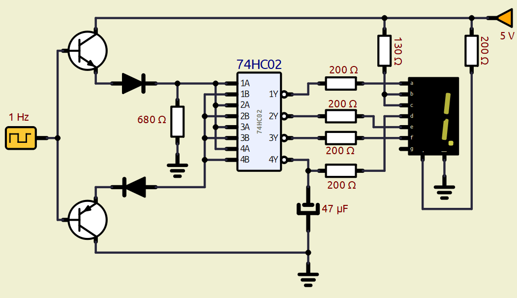
Долго не мог заставить в симуляторе работать в режиме генератора логическую микросхему 74HC00, и вот свершилось.
Прикреплённый файл: simulide_DVESSBPNWw.gif (356.15 KB)![]() Generator impulsov na 74HC00.zip Размер: 2.11 KB; Просмотры: 53
Отправлено: 28.10.2025 22:47
|
|
|
Технический Директор
![]() Зарегистрирован:
08.02.2009 20:08 Из: Днестровск
Сообщений:
2762
![]() |
Сигнализатор перегорания предохранителя
Напряжение питания схемы есть: - предохранитель целый, светодиод светит ровным светом; - предохранитель перегорает, светодиод мигает; Напряжение питания схемы нет: - светодиод гаснет. Прикреплённый файл: simulide_HOIP2ScE69.gif (43.31 KB)![]() Signalizator peregoraniya predohranitelya.zip Размер: 2.49 KB; Просмотры: 61
Отправлено: 28.10.2025 23:30
|
|
|
Технический Директор
![]() Зарегистрирован:
08.02.2009 20:08 Из: Днестровск
Сообщений:
2762
![]() |
Логический пробник
Если на входе: - высокий уровень - светит 1; - низкий уровень - 0; - импульсный сигнал - П Прикреплённый файл: simulide_RhlhAUN4Wc.gif (68.61 KB)![]() Logicheskij probnik s cifrovoj indikaciej.zip Размер: 2.44 KB; Просмотры: 63
Отправлено: 29.10.2025 2:01
|
|
|
Технический Директор
![]() Зарегистрирован:
08.02.2009 20:08 Из: Днестровск
Сообщений:
2762
![]() |
Термостабилизатор.
Переключателем MODE выбирается режим работы: на включение или отключение нагрузки (светодиода). Два темепературных датчика (терморезисторы) - для надёжности. Прикреплённый файл: simulide_sASwhQfI1H.gif (82.22 KB)![]() Termostabilizator.zip Размер: 1.72 KB; Просмотры: 58
Отправлено: 29.10.2025 15:09
|
|
|
Технический Директор
![]() Зарегистрирован:
08.02.2009 20:08 Из: Днестровск
Сообщений:
2762
![]() |
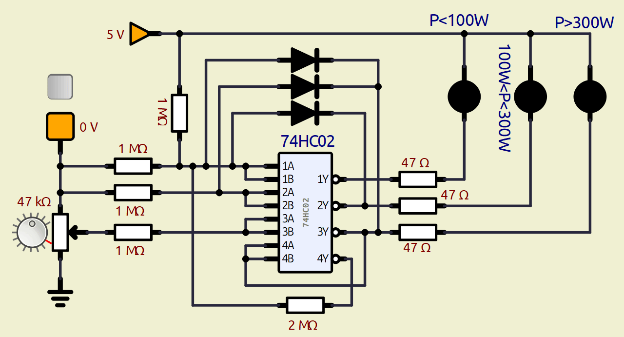
Индикатор потребляемой мощности
Например, мощность: - не превышает 100Вт - светодиоды не горят; █ █ █ - превышает 100Вт, но меньше 300Вт - загорается зелёный светодиод; █ █ █ - превышает 300Вт, но меньше 1000 Вт - загорается жёлтый светодиод, зелёный гаснет; █ █ █ - превышает 1000 Вт - загорается красный светодиод, жёлтый гаснет. █ █ █ Прикреплённый файл: simulide_OiRK5TO7pl.gif (56.15 KB)![]() Indikator potrebljaemoy moschnosti.zip Размер: 2.40 KB; Просмотры: 52
Отправлено: 29.10.2025 17:51
|
|
|
Технический Директор
![]() Зарегистрирован:
08.02.2009 20:08 Из: Днестровск
Сообщений:
2762
![]() |
Сторожевое устройство
Порядок работы: 1. Подаётся питание, начинает заряжаться конденсатор С1 - идёт отсчёт времени 30-40 секунд (это время на то, чтобы охранный контакт замкнуть), затем наступает режим охраны; 2. Если, в режиме охраны, контакт размыкается - начинается отсчёт времени 30-40 секунд (время, чтобы обесточить сигнализацию), иначе включается светодиод (срабатывает сигнализация). Последующее замыкание контакта не выключает светодиод (сигнализацию), только обесточивание всей схемы. В скобках указаны ёмкости для реального охранного устройства. Прикреплённый файл: simulide_MKIKTUNdTf.gif (109.83 KB)![]() Storozhevoe ustroystvo.zip Размер: 2.32 KB; Просмотры: 53
Отправлено: 30.10.2025 0:30
|
|
|
Технический Директор
![]() Зарегистрирован:
08.02.2009 20:08 Из: Днестровск
Сообщений:
2762
![]() |
Сторожевое устройство с акустическим датчиком
Порядок работы: 1. Подаётся питание, запускается отсчёт времени (1-1,5 минуты), затем режим охраны; 2. Если, в режиме охраны, срабатывает акустический датчик - включается светодиод (срабатывает сигнализация) 3. Отключается сигнал - обесточиванием устройства. В скобках указана ёмкость для реального устройства. Прикреплённый файл: simulide_qKG9OIauW3.gif (176.74 KB)![]() Storozhevoe ustroystvo s akusticheskim datchikom.zip Размер: 2.23 KB; Просмотры: 70
Отправлено: 30.10.2025 13:24
|
|
|
Технический Директор
![]() Зарегистрирован:
08.02.2009 20:08 Из: Днестровск
Сообщений:
2762
![]() |
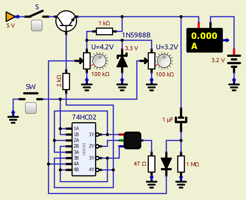
Автоматическое зарядное устройство
Порядок работы. 1. Подаётся питание на микросхему; 2. Подключается заряжаемая батарея; 3. Включается переключатель S. 4. Если напряжение батареи: 4.1. ниже или равно 3,2В - загорается красный светодиод, начинается автоматически заряд до 4,2В, затем заряд прекращается и начинается режим контроля; 4.2. от 3,3В до 4,1В - загорается зелёный светодиод, заряд начнётся только после нажатия кнопки SW и будет продолжаться до полной зарядки аккумулятора 4,2В, затем заряд прекращается и начинается режим контроля; 4.3. 4,2В - загорается синий светодиод, заряд не происходит или прекращается, начинается режим контроля; Если в режиме контроля напряжение снижается: - с 4,2В до 3,3В - горит синий светодиод, заряд не происходит; - до 3,2В - повторится действие в пункте 4.1 Если по-простому: батарея будет автоматически начинать заряжаться при 3,2В и прекращать зарядку при 4,2В. И так по кругу. Прикреплённый файл: Avtomaticheskoe zarjadnoe ustroystvo.gif (37.56 KB)![]() Avtomaticheskoe zarjadnoe ustroystvo.zip Размер: 2.76 KB; Просмотры: 50
Отправлено: 30.10.2025 22:28
|
|



Tajmer razryadki batarei.gif (39.03 KB)
Tajmer razryadki batarei.zip







